- 엔진, 구동모터 (내연기관 <-> 전동기)
- 파워트레인
- 전력변환기기
- 감속기, 변속기
- 섀시 (현가, 제동, 조향 장치)
엔진, 구동모터 (내연기관 <-> 전동기)
엔진
화학에너지 -> 운동에너지 ~ 점화, 급격한 팽창 -> 피스톤에 부착된 커넥팅로드에 의해 크랭크샤프트에 힘이 전달(직선운동이 회전운동으로) -> 발생된 회전력이 변속기와 드라이브샤프트를 거쳐 휠까지 전달

환경규제 강화 & 자동차 무게를 줄이기 위해 엔진 경량화 -> 실린더 헤드 커버와 실린더 블록을 기존의 철 소재 대신 마그네슘 합금/알루미늄 합금을 사용
구동모터
- 발생하는 소음과 진동이 매우 적다. 전기차 특유의 조용하고 안락한 승차감
- 구동모터는 발전기로도 변환한다. 내리막길 등 탄력 주행 시 발생하는 운동에너지를 전기에너지로 전환해 배터리에 저장할 수 있다. 주행 중 속도를 줄일 때도 마찬가지다. 이를 회생제동 시스템이라 한다.
- 닛산 리프는 BLDC모터를, 테슬라 모델S과 모델3, BMW i3, 피아트 500e는 AC모터를, 현대 아이오닉 일렉트릭, 기아 쏘울 일렉트릭, 폭스바겐 e-골프, 포드 포커스 일렉트릭은 PMSM(영구자석형 동기모터)을 채택
- PMSM은 영구자석 동기 모터로, 브러쉬(와 정류자)가 없어서 내구성이 뛰어나고 계자 코일의 손실에 의한 온도 상승이 없어 이에 대한 보호가 필요없다는 장점
- 차세대 모터로 인휠 모터(In Wheel Motor)가 각광받고 있다. 인휠모터는 각 바퀴에 모터를 장착하는 개념을 의미한다. 구동 과정이 간소화돼 동력손실이 줄고, 각 바퀴 구동력을 독립적으로 제어할 수 있으며, 차체 무게를 줄일 수 있다. 하지만 구조가 복잡해 시스템 제어가 어렵다는 단점이 있다
내연기관 <-> 전동기
엔진 내연기관 <-> 전동기(에너지 변환효율이 고효율이며 배기가스가 없음_연료탱크~구동까지)

- 내연기관(열기관, 화석연료 화학에너지 – 연소 – 열에너지 – 운동에너지): 에너지 변환 단계가 많아 효율이 떨어진다.
- 전동기(전기에너지 – 운동에너지): 에너지변환이 간단하여 효율이 높지만, 현재는 원료에서의 변환 효율이 상당히 떨어진다.
- 그렇기에 law material부터 차량 구동까지의 효율을 따지면 효율의 차이가 10%정도뿐이 나지 않는다.
- 전체 효율(원료 -> 동력)로 비교 시 효율개선효과 감소
- 내연기관차량 = 11~22%
- 전동기차량 = 22~35%
2022.02.21 - [정리, 공부/기계공학 & 시스템설계] - 친환경차 전기차 비교 분석법, LCA Well to Wheel, CO2발생량 분석
친환경차 전기차 비교 분석법, LCA Well to Wheel, CO2발생량 분석
전주기적 분석(전과정 평가) (LCA, Life Cycle Assessment) 차량제작, 연료생산 및 운반, 차량 운행 및 폐기까지 모든 과정에서 발생하는 CO2 분석 에너지 생산, 에너지 운송, 차량운행, 제작 폐기 Well to Whe
setoo0922.tistory.com
그렇기에 지금 당장 전기차로 갈아타는게 우리에게 큰 이득이 아닐 수 있다.
하지만 에너지원에서부터 차량구동까지의 에너지 효율만 보자면 전기차는 아주 우수하다.

내연기관이 구동효율이 13% 정도 나온다면 전기차는 73%,
배터리 - 인버터(90%) - 모터(90%이상) - 감속기 - 바퀴로 에너지 흐름이 이어지며 각각의 구간에서의 에너지효율이 높기에 전기차는 에너지원인 전기에서 구동까지의 에너지효율이 상당히 높다. (85~90%라고 말하는 지표도 있다.)
그외의 장점:
내연기관 = 응답속도 느림 -> 엑셀을 밟은 시점으로부터 수백ms 이후 엔진이 응답
전동기 = 액셀을 밟은 순간 수ms 후 빠른 응답을 얻음 -> 고정밀 (토크/속도)제어 가능
전동기: 탑재 위치가 굉장히 자유로움 (배터리로부터 멀어도 괜찮고, 공간만 주어지면 어디든 가능)
파워트레인
<파워트레인>
- 동력장치에서 생산한 동력을 바퀴에 전달하는 과정에서 필요한 시스템
- 파워트레인은 동력을 효율적으로 전달하는 부분으로, 성능의 차별성은 얼마나 효율적으로 동력을 만들고 전달하는지에 달림
- 파워트레인의 기능은 무엇일까? 파워트레인은 화석연료, 전지 등의 형태로 저장된 에너지를 운동에너지로 변환하고 자동차, 항공기, 선박 등을 움직일 수 있게 하는 등 동력을 부여하는 모든 부품의 집합체다
- 동력 전달 부품만 의미 or 대부분 동력 생산 장치까지 포함하여 구분(전기차는 모터, 배터리까지 포함)
- 파워트레인 부품 중에서 핵심은 동력을 만드는 부분과 동력을 효율적으로 전달하는 부분이다.
- 파워 트레인은 엔진과 변속기, 드라이브 샤프트, 모터(모터 개수) 등 동력을 전달하는 메커니즘 세트를 말한다

전기차의 파워트레인은 동력을 만드는 모터와 전기의 특성을 제어하는 파워일렉트로닉스, 그리고 전기에너지를 저장하는 전지팩으로 구성된다. 연료를 저장하고 배출하는 내연기관차의 연료탱크는 파워트레인에 포함되지 않지만, 전기차의 전지팩은 에너지의 저장과 효율적 관리 역할까지 하므로 파워트레인 구성 요소에 포함된다.


동력을 전달하는 방식도 전기차와 내연기관차는 다르다. 전기차의 경우 동력을 만들고 전달하는 방식이 내연기관차에 비해 간단한 편이다. 따라서 전기차 파워트레인은 내연기관차보다 구조적으로 훨씬 단순하고, 부품수도 최대 80%까지 줄어든다. 원가 측면에서도 파워트레인의 비중은 전기차 부품 중에서 가장 높다. 따라서 파워트레인의 기술은 전기차에서 중요한 경쟁 요소로 여겨진다.
차세대 전기 파워트레인시장을 선점하기 위해 기업들은 인수합병이나 합작법인 설립을 통해 이 시장에서 빠르게 기술력과 마케팅망을 흡수하며 경쟁력을 강화하고 있다.
전력변환기기
전기모터 구동 / 배터리 충전 / 전기 시스템간 에너지 교환을 위해 배터리에서 형태 혹은 에너지량을 변환하는 기기
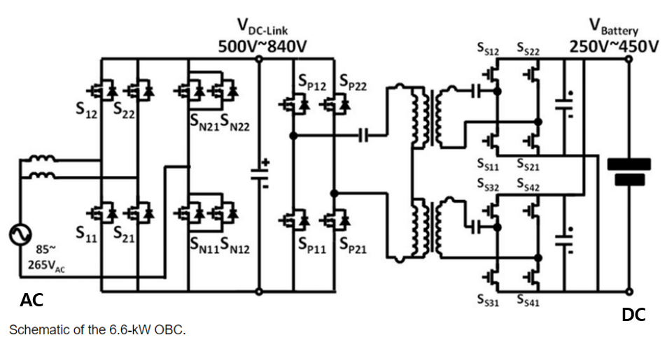
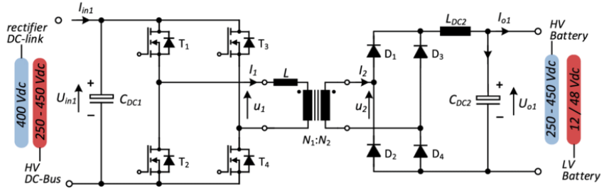
전기자동차에 사용되는 전력변환장치: OBC, LDC(컨버터), 인버터

인버터:
배터리의 직류전압을 받아서 3상 교류전기를 만들어 3상 모터를 구동하고 제어하는 전력변환장치
회생제동 시 발생한 AC를 DC로 변환하여 배터리에 저장할 수 있게 해준다.
직류 <-> 교류 변환


OBC(On-board charger):
상용 교류 전원으로부터 자동차의 고압 배터리를 충전하는 장치
교류 -> 직류

자동차의 고압 배터리로부터 직류 전압을 받아서 차량내 12V 저압 직류 시스템에 전기를 공급하는 장치 (차량 내의 여러 시스템 및 장치를 구동하기 위해 필요한 전압인 12 or 24V)
고압직류 -> 저압직류

인버터 ~ 98% 효율
OBC ~ 94-97% 효율
LDC ~ 다른 제품들 보다 효율이 낮지만 꾸준히 높여가는 중
<전력변환 동작원리>

Trans + Resistor = 외부의 신호에 의하여 저항성분을 바꿀 수 있는 회로/소자
트렌지스터의 동작
트렌지스터를 일종의 전기 스위치로 이용 + on/off하는 시간 비율을 조절함으로써 부하측으로 전달되는 평균 전압을 제어(PWM같은,, 느낌으로 저항값 조절해서 하는 듯)
+ 직류로부터 +와 -를 갖는 교류전압도 만들어 낼 수 있다.
2020.09.16 - [정리, 공부/전기, 전자, 통신] - 트렌지스터 기본 구조/원리(P/N형, 다이오드, NPN) 트랜지스터
트렌지스터 기본 구조/원리(P/N형, 다이오드, NPN)
- Transistor란 - 종류와 타입 - P형/N형 & 다이오드 - 항복전압 - Transistor 원리 Transistor 란 트렌지스터는 입력과 출력을 가지고, 신호를 증폭이나 변환시켜 전기에너지를 변환시키는 능동소자입니다
setoo0922.tistory.com
감속기, 변속기
감속기
모터의 특성에 맞춰 동력을 바퀴에 더 효율적으로 전달하기 위해 고안된 일종의 변속기.
모터는 분당 회전수(RPM)가 내연기관 엔진 보다 훨씬 높다. 회전수를 상황에 맞게 바꾸는 변속이 아닌, 회전수를 하향 조정(감속)하는 역할 수행 = 속도를 낮춰 높은 회전력(토크)를 얻어
모터는 기본적으로 엔진에 비해 변속이 많이 자유롭다. 그렇기에 엔진과 같이 변속기가 필요하기 보단, 감속기만 있어도 충분한다.
변속기(Transmission)
엔진의 힘을 자동차의 동력원으로 전환시키는 동력 전달 장치 중 하나.
엔진의 동력(회전력) -> 바퀴를 움직이게 하는 토크(동력원)로 변환
정차 시, 엔진의 공회전을 가능하게 하며 후진을 가능하게 합니다.
세밀한/단계적인 속도 조절이 불가능한 엔진을 보조하는 역할
섀시 (현가, 제동, 조향 장치)
자동차가 구동하는데 필요한 모든 장치를 의미 ~ 엔진이나 파워트레인은 섀시의 범주에서 제외하고 별도의 구성으로 부서를 조직, 별개의 부품으로 간주하는 경우가 많다. (완성차 업계의 기술력을 가장 잘 나타내는 분야가 엔진과 파워트레인 이기에)
1. 현가 장치(Suspension) ~ 주행 시, 노면에서 발생하는 충격이 차체나 탑승자에게 직접적으로 전해지지 않게 충격을 흡수 + 타이어를 노면에 확실하게 접지 시켜주는 장치

제동 장치(Brake) ~ 감속/정지/주차 상태 유지

조향 장치(Steering) ~ 방향전환 ~ 스티어링 휠의 회전을 직선운동(?)으로 바꾸어 바퀴의 방향을 좌우로 움직이게 함

Ref
렛유인 강의 + 산업분석 자료
도서: 미래형 자동차 최신 기술동향과 자동차부품/경량소재 R&D 전략
미래형 자동차 자율주행 친환경자 시장과 기술개발 전략
현대H모빌리티 클레스
유튭
Reseach gate
...
'메인 공부 > 자동차, 친환경차, 전기모터' 카테고리의 다른 글
| 전기차 차량용 배터리] 스웰링(swelling) 방지, 크러시(crush) 해석 (0) | 2022.03.02 |
|---|---|
| 전기차] 차량용 배터리 설계/공정 시 고려해야 할 사항 (1) | 2022.03.01 |
| 전기차] 차량용 배터리 개발 목표 & 개발 프로세스 (0) | 2022.02.28 |
| 전기차 전동기(모터)의 장단점 & 어떤 기술이 더 필요한가 (1) | 2022.02.23 |
| 친환경차 전기차 비교 분석법, LCA Well to Wheel, CO2발생량 분석 (0) | 2022.02.21 |
댓글