차례
- 곡관, 관형에 따른 수두손실
- 곡관의 수두손실
- 관형에 따른 수두손실
- 특정 파츠 사용 시에 국부저항
곡관, 관형에 따른 수두손실
곡관, 관형에 따른 수두손실을 부차적 손실로,, 치부하나 봅니다.
긴 관로에서는 관의 마찰손실에 비하여 부차적 손실이 적기 때문에 무시하여도 큰 오차는 없으나, 관로가 비교적 짧을 경우, 부차적 손실이 차지하는 비중이 크다.
기본적인 식 형태는 앞서 얘기했던 관마찰에 의한 수두손실과 비슷하다
2021.07.08 - [정리, 공부해요/기계공학] - 손실양정, 관마찰 손실헤드 ~ (길이)(마찰계수)(유속)/(직경)
손실양정, 관마찰 손실헤드 ~ (길이)(마찰계수)(유속)/(직경)
손실양정 펌프 배관과 유체의 마찰, 와류, 배관모양, 포화증기압 등으로 인해 나타나는 에너지적 손실 마찰손실 & 포화증기압 & 유속양정 등의 손실을 일컫는다. 베르누이 방정식은 유체역학에
setoo0922.tistory.com
다만 길이에 대한 내용은 무시하고 (짧은지점에서의 관형/곡선형의 해석이기에) 직경에 대한 내용은 손실계수에 포함된다.


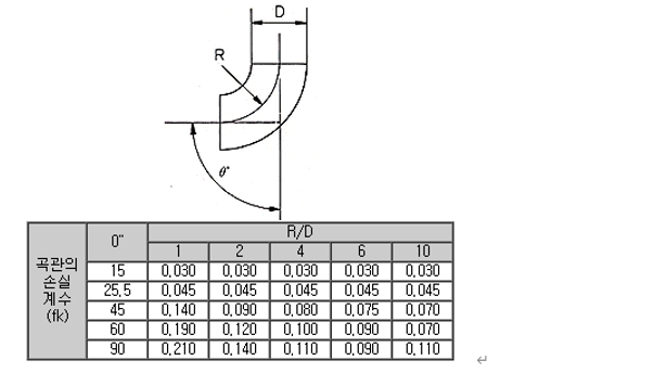
곡관의 손실수두

관(파이프, tube)를 파이프 밴딩기를 사용해 구부린 경우,
곡률(반지름,R)과 관의 직경(D)의 비율과 몇도 만큼 구부렸냐에 따라 곡관의 손실수두계수가 결정된다.
관형에 따른 수두손실
관로 형태에 따른 손실
일직선 뿐 아니라, 휘어지거나 밸브등의 장애물에서도 에너지 손실이 발생합니다.
아래의 표에서 나온 손실계수를 앞서 말한 곡관의 손실계수에 넣어 수두손실을 계산하면 되겠습니다.



특정 파츠 사용 시의 국부저항
특정 파츠를 사용 시의 국부저항,

호칭 지름이 작은 경우의 값들도 알고 싶은데,, 찾는게 쉽지 않네요 :(
표의 값의 사용은,
이전에 다뤘던 관마찰계수의 길이에 합쳐집니다.

l 자리에 (유체가 이동한 총 거리) + 유체가 이동하는데 지나간 요소들의 수만큼 위의 표에서 값을 찾아 더하면 됩니다.
Ex) 15A 호칭 지름의 관으로 시스템에서 3m를 이동하는 동안 90도 엘보 하나, 90도 T 주관(직류)를 두번 지난다면 식의 l 자리에 (3 + 0.6 + 0.18 x 2)를 넣어주면 됩니다.


/// 밸브, 종류나눠 잘 설명되어 있는 블로그 입니다. (슬루스/글로브/앵글 밸브가 궁금할 시)
마치며
총손실헤드 = 관마찰 손실헤드 + 관로형태에 따른 손실헤드

'메인 공부 > 발열, 냉각, 펌프' 카테고리의 다른 글
| CPU쿨링팬을 사용한 바이알 쿨링 시스템 (0~5도) + 진공, 진공펌프 + arduino (0) | 2022.01.26 |
|---|---|
| 시스템의 차압 ~ 수두손실 계산 비교 (0) | 2021.07.14 |
| 관마찰계수, Moody 선도 ~ 조도, 밀도, 점성 (수두손실에 이어서) (3) | 2021.07.10 |
| 손실양정, 관마찰 손실헤드 ~ (길이)(마찰계수)(유속)/(직경) (1) | 2021.07.08 |
| 펌프의 양정에 대해 (흡입양정, 토출양정, 실양정, 전양정, 손실양정) (0) | 2021.07.06 |
댓글